Nosso elemento guia de vedação de alta pressão tem uma rica variedade de tipos.
O anel de suporte é um componente básico importante do cilindro hidráulico. O Ruichen Seal desenvolveu com sucesso o anel de suporte fenólico reforçado com pano (correia) para cumprir o desenvolvimento da estrutura de vedação combinada de anel deslizante internacional e estrutura de suporte suave. Após anos de prática, a qualidade excede a de produtos estrangeiros semelhantes e foi bem recebida pelos usuários. A tabela de desempenho pode ser usada para referência.
Em termos de correia-guia, a correia guia de politetraetileno armado RC1081 adiciona pó de bronze ao PTFE, etc., com alta carga de carga, baixo desgaste, baixo atrito e sem características de rastejamento; O cinto de guia fenólico reforçado com pano RC1082 adota o material reforçado com pano fenólico, e sua capacidade radial de carga é melhor que a do cinto de guia PTFE. Ambos são fornecidos em rolos, que são fáceis de cortar e instalar e podem evitar o contato do metal. Os anéis de guia RCS e RCT são usados para haste e pistão de pistão, respectivamente.
Os anéis resistentes ao desgaste têm a função de guiar com precisão a haste do pistão ou pistão no cilindro hidráulico e absorver a força radial, o que pode impedir o contato do metal. Comparados com os anéis de desgaste de metal, os anéis de desgaste não metálicos têm as vantagens da resistência ao desgaste, evitando o contato do metal, suprimindo a vibração, permitindo maior folga radial, ranhuras simples e instalação fácil e baixos custos de manutenção. Eles são amplamente utilizados. Entre eles, os anéis de guia fenólicos e PTFE reforçados com pano estão disponíveis em tipos de corte no local e prontos para uso.
Em termos de mangas guia, o GFAI é usado para hastes de pistão, com funções de apoio, orientação e poeira; O GFI também é usado para hastes de pistão, desempenhando um papel de apoio e orientador; O GFA é usado para pistões, fornecendo apoio e orientação. Esses produtos ajudam os cilindros hidráulicos a operar de forma estável em todos os aspectos.
Recursos e aplicações do produto:
Exemplo de pedido:
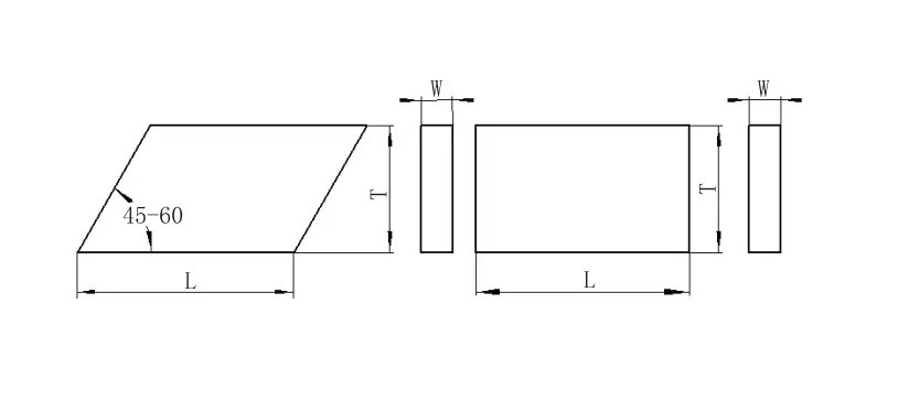
Exemplo de pedidos de fita guia do PTFE RC1081-9.7X2.5
Fita de pano fenólico Exemplo de pedido RC1082-9.7x2.5
Cálculo de comprimento de corte
Para o eixo: L = 3,1 (D+W) para o orifício: L = 3,1 (D-W)
L --- Comprimento do anel D --- Diâmetro do eixo D --- diâmetro do orifício w --- espessura do anel z --- Corte de folga
Guia da manga Gfai
1. Desempenho e uso: Guia Sleeve GFAI é uma manga -guia para haste de pistão, que suporta e guia a haste do pistão e possui função à prova de poeira.
2. Material: Nylon PA, Polioximetileno Pom e Politetrafluoroetileno Ptfe.
3. Condições de trabalho: Temperatura de trabalho: -55 ~+225 ℃ (PTFE é usado acima de 120 ℃).
4. Padrão de projeto: Ao projetar e selecionar, consulte a série FAI da empresa fome.
5. Método de marcação e pedidos: Guia da manga GFAI está marcada com o número do pedido, exemplo: GFAI-0600PTFE
Guia da manga GFI
1. Desempenho e uso: Guia Sleeve GFI é uma manga -guia para a haste do pistão, que suporta e guia a haste do pistão.
2. Material: Nylon PA, Polioximetileno Pom e Politetrafluoroetileno Ptfe.
3. Condições de trabalho: Temperatura de trabalho: -55 ~+255 ℃ (PTFE é usado acima de 120 ℃)
4. Padrão de projeto: Ao projetar e selecionar, consulte a série FI da Hunger.
5. Método de marcação e pedidos: Guia da manga GFI está marcada com o número do pedido, exemplo: GFI-0360PA
Guia da manga GFA
1. Desempenho e uso: Guia da manga GFA é uma manga guia para o pistão, que suporta e guia o pistão.
2. Material: Nylon PA, Polioximetileno Pom e Politetrafluoroetileno Ptfe.
3. Condições de trabalho: Temperatura de trabalho: -55 ~+255 ℃ (PTFE é usado acima de 120 ℃)
4. Padrão de design: Ao projetar e selecionar, consulte a série de FA da Hunger.
5. Método de marcação e pedidos: Guia da manga GFA está marcada com o número do pedido, exemplo: GFA-0560PA
6. Dispositivo estrutural:
Especificações:
| Modelo | Largura do sulco H+0,2 |
Grossura T - 0,05 |
Espessura t T - 0,05 |
Grossura T - 0,05 |
Grossura T - 0,05 |
Grossura T - 0,05 |
| RC1081/1082-4.2 | 4.2 | 1 | 1.55 | 2 | 2.5 | - |
| RC1081/1082-5.6 | 5.6 | 1.55 | 2 | 2.5 | - | - |
| RC1081/1082-6.3 | 6.3 | 1.55 | 2 | 2.5 | - | - |
| RC1081/1082-8.1 | 8.1 | 1.55 | 2 | 2.5 | - | - |
| RC1081/1082-9.7 | 9.7 | 2 | 2.5 | 3 | 3.5 | 4 |
| RC1081/1082-12.7 | 12.7 | 2 | 2.5 | 3 | 3.5 | 4 |
| RC1081/1082-15 | 15 | 2 | 2.5 | 3 | 3.5 | 4 |
| RC1081/1082-20 | 20 | 2 | 2.5 | 3 | 3.5 | 4 |
| RC1081/1082-25 | 25 | 2 | 2.5 | 3 | 3.5 | 4 |
| RC1081/1082-30 | 30 | 2 | 2.5 | 3 | 3.5 | 4 |
| RC1081/1082-35 | 35 | 2 | 2.5 | 3 | 3.5 | 4 |
| NOTA: A série Boldface é uma série comumente usada. Se o produto necessário não estiver nesta tabela, entre em contato conosco. | ||||||
Anel de suporte fenólico reforçado com pano (cinto)
O anel de suporte é um componente básico importante do cilindro hidráulico. Para se adaptar ao desenvolvimento de focas combinadas de anel deslizante e estruturas de rolamentos macios no mundo, nossa empresa desenvolveu com sucesso os anéis de apoio fenólico reforçado com roupas (cintos). Anos de uso real mostraram que este produto atingiu ou excedeu o nível de qualidade de produtos estrangeiros semelhantes e tem sido amplamente elogiado pelos usuários. As tabelas 1 a 4 são as tabelas de desempenho dos anéis de suporte (cintos) produzidos por nossa empresa.
Tabela1 Comparação das propriedades físicas de nosso anel de suporte e produtos BuSak+Shamba
| Fonte de amostra | Suporte a espessura do anel (mm) | Força de compressão (MPA) | Óleo hidráulico de troca de peso de resistência ao óleo (70 ± 2 ℃*24h) | Força de quebra (MPA) | Adesão entre camadas (Kn/m) |
| Moda+shamba | 2.48 | 338.9 | 2.83 | 35.6 | 1.2 |
| Nossos produtos | 2.48 | 425 | 0.90 | 37.0 | 2.9 |
| 2.48 (com grafite) | 390 | 0.63 | 36.4 | 2.08 |
| Tipo de amostra | Nossos produtos | Orchot tlg ① | Duratec900 ① | Turcite47 ② | MT64/5B | Nokwr (dia) | Polooximetileno pompodificado | Gato (nós) | |
| Valor medido | Indicadores necessários | ||||||||
| Força de compressão (MPA) | ≥350 | ≥330 | ≥350 | ≥280 | ≥50 | ≥270 | ≥150 | ≥80 | ≥217 |
| Tipo de amostra | Nossos produtos | Orchot tlg ① | Duratec900 ① | Turcite47 ② | MT64/5B | Nokwr (dia) | Polooximetileno pompodificado | Gato (nós) | |
| Valor medido | Indicadores necessários | ||||||||
| Força de compressão (MPA) | ≥350 | ≥330 | ≥350 | ≥280 | ≥50 | ≥270 | - | ≥80 | ≥217 |
| Carga por unidade Comprimento de contato W (n/mm) | Relé de contato hertz ΔH (N/mm2) | Coeficiente de atrito | |||
| Estado de atrito seco | Estado de lubrificação por gotejamento de petróleo | ||||
| Nossos produtos | Orchot tlg | Nossos produtos | Orchot tlg | ||
| 5.9 | 22.0 | 0.054 | 0.066 | 0.057 | 0.079 |
| 29.0 | 48.7 | 0.052 | 0.067 | 0.056 | 0.081 |
| 44.4 | 60.3 | 0.045 | 0.071 | 0.055 | 0.088 |
| 59.8 | 69.8 | 0.021 | 0.073 | 0.053 | 0.087 |
| 75.2 | 78.3 | 0.020 | 0.075 | 0.052 | 0.085 |
| Material | PTFE+bronze |
| Fornecer | Role (geralmente cerca de 20 metros/rolo) ou corte para o comprimento necessário |
| Vantagens | 1. Baixo atrito, sem rastejamento e mordome; |
| 2. Pode funcionar bem mesmo sem lubrificação suficiente; | |
| 3. Resistente a uma variedade de meios, excelente estabilidade química; | |
| 4. Pode acomodar objetos duros incorporados no anel resistente ao desgaste para reduzir objetos duros arranhando o cilindro e as vedações; portanto, em situações de carga pesada, use vários anéis resistentes ao desgaste; | |
| 5. Também possui boa resistência ao desgaste em situações de alta velocidade e carga de luz, por isso é o anel mais usado resistente ao desgaste; | |
| 6. Nenhuma restrição de tamanho, pode ser usada em situações de grande diâmetro. | |
| Temperatura | -60 ~+200 ℃ |
| Velocidade máxima | 15m/s |
| Força máxima de extrusão | 15n/mm2 (20 °) |
| 7,5n/mm2 (80 °) | |
| 5n/mm2 (120 °) |
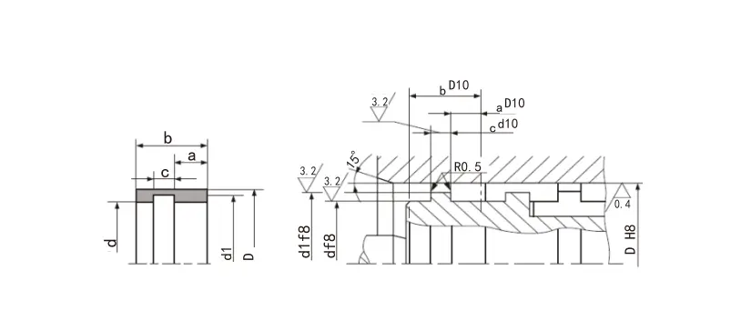
Anel de guia não metálico RCS para haste de pistão
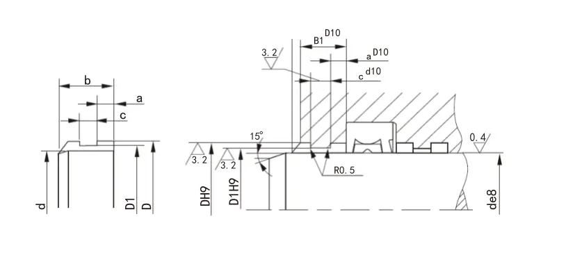
Anel de guia não metálico do RCT para pistão
Para a haste do pistão ou do pistão em execução no cilindro hidráulico, o anel de desgaste tem um efeito orientador preciso e pode absorver forças radiais. Ao mesmo tempo, o anel de desgaste pode impedir o contato de metal das peças deslizantes no cilindro hidráulico. Comparados com anéis de desgaste de metal, os anéis de desgaste não metálicos têm muitas vantagens. Entre eles, os anéis de guia fenólicos e PTFE reforçados com pano estão disponíveis no tipo de corte no local e no tipo pronto para uso.
1. Boa resistência ao desgaste
2. Evite o contato metal-metal
3. Pode suprimir a vibração mecânica
4. Devido ao efeito central do anel resistente ao desgaste, uma grande folga radial é permitida
5. O sulco é simples e fácil de instalar
6. baixo custo de manutenção com base nas vantagens acima, é amplamente utilizado
Material:
1. Politetrafluoroetileno PTFE3 (Material Geral), PTFE4 (aplicável a mídia de baixa viscosidade, como água), PTFE1 (requisitos de baixo atrito, como pneumáticos)
2. Polioximetileno Pom ou nylon PA e seus materiais modificados
3. Resina formaldeído + fibra de reforço PRIF
Tabela de comparação de capacidade de carga de diferentes materiais (referência)
| Material | Capacidade de transporte máx (n/mm2) |
| Pó de cobre cheio de PTFE | 15 (20 ℃); 7,5 (80 ℃) 5 (120 ℃) |
| Pó fenólico com pano | 90 (60 ℃); 40 (80 ℃) |
| Poloximetileno ou nylon | 25 (60 ℃); 15 (80 ℃) |
| Poloximetileno ou nylon preenchido | 40 (60 ℃); 30 (80 ℃) |
| Suavidade | Rtmax (μm) | RA (μM) |
| Superfície deslizante | ≤2.5 | 0,05-0.3 |
| Bottom Bottom | ≤10 | ≤2 |
| Lado do sulco | ≤15 | ≤3 |
Série de especificação do anel do guia da haste do pistão
| Diâmetro da haste | Diâmetro inferior | Largura do sulco | Grossura | Gap |
|
Diâmetro da haste | Diâmetro inferior | Largura do sulco | Grossura | Gap |
| D f8/h9 | D H8 | L+0.2 | W | Z | D f8/h9 | D H8 | L+0.2 | W | Z | |
| 8-20 | D+3.1 | 2.5 | 1.55 | 1-2 | 200-999.9 | d+5 | 25 | 2.5 | 8-33 | |
| 10-50 | D+3.1 | 4 | 1.55 | 1-3 | 1000-4200 | d+5 | 25 | 2.5 | 33-134 | |
| 15-140 | d+5 | 5.6 | 2.5 | 2-5 | 280-999.9 | D+8 | 25 | 4 | 10-33 | |
| 20-220 | d+5 | 9.7 | 2.5 | 2-9 | 1000-2200 | D+8 | 25 | 4 | 33-70 | |
| 80-400 | d+5 | 15 | 2.5 | 4-15 |
|
|
|
|
|



























Endereço
No.1 Ruichen Road, Parque Industrial Dongliuting, distrito de Chengyang, cidade de Qingdao, província de Shandong, China
Tel